NEWS

NEW TECH

NEWS

NEW TECH

Category

Archive by year

NEW TECH

03/07/2016

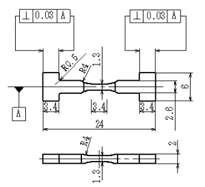
KMTL establishes CMC specimen preparation methods.

  Recently, ceramic matrix composites (CMCs) have been attracting much attention mainly in the aerospace field. CMC, a ceramic material reinforced with ceramic fiber, is lightweight and highly heat resistant. However, machining of CMC is difficult due to its brittleness.

  We have tackled the development of CMC machining technology and successfully established preparation procedures for CMC specimens including round-reduced-section and flat-reduced-section specimens. This will enable us to provide CMC specimens of stable quality that are suitable for its mechanical characterization.

[Round-reduced-section specimen] [Flat-reduced-section specimen]
cnc11 cnc21
cnc12 cnc22
cnc13 cnc23
cnc14 cnc24

PAGETOP